产品概述 LMP3系列高温DC/DC开关电源模块是专为工作于恶劣环境下的电子设备设计的,可在175℃的环境温度下工作,核心性能适配严苛工况需求,兼具稳定性与高效性。具备宽输入电压范围,适配多规格供电场景,输入与输出高效隔离,抗干扰能力极强,保障供电安全与输出稳定性。模块采用密封金属灌封,体积紧凑,集成化程度高,适配狭小安装空间,安装便捷且抗振动、抗冲击性能优异。它由于耐高温,耐冲击,耐潮湿,特别适合用来参与组建石油勘测井下仪器,石油钻井井下仪器,地球物理探测仪器等供电电源系统。
主要电参数 l 工作环境温度:-40℃~+175℃
l 输入电压:10~20V,18~36V,36~72V,60~120V,100~200V
l 输出电压:最多2路,3.3V,5V,9V,12V,15V,24V
l 输出功率:3W
l 输出纹波及噪声:100mVp-p
l 输出精度:≤±2%
l 负载调整率:≤±2%
l 温度稳定性:≤±2%
l 线性调整率:±0.1%(10%线性变化)
l 过冲幅度:10%(输入电压阶跃和负载电流阶跃)
l 瞬态恢复时间:50ms(输入电压阶跃和负载电流阶跃)
l 抗震性:25G,0~300Hz
l 转换效率: 80%(典型值)
l 静态功耗:最大0.5W
l 输入与输出之间的隔离电压:1000V
l 开关频率:300KHz±5%(-55℃~175℃)
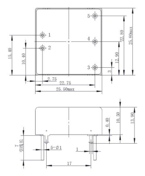
外形尺寸 
应用说明 产品原理简介
LMP3系列高温DC-DC模块采用高频变换工作模式,把直流电源逆变成高频电源。通过隔离变压器实现输入与输出电气隔离,然后经过整流电路将高频电源转换成直流输出。高频变换电路实现了转换效率高、体积小、重量轻的目的。
推荐电路

降额使用
高温DC-DC模块的额定输出功率是指在满足使用条件的情况下,产品可长期工作的最大输出功率。一般建议实际使用功率是电路额定输出功率的30%~70%为宜,这个功率范围内DC/DC变换器各方面性能发挥比较充分且稳定可靠。
使用条件 
效率曲线 
负载与效率曲线图(Vin=48V)

输入电压与效率曲线图(满载)
静态功耗曲线 
温度降额曲线 
纹波图 
瞬态响应图(50-100%) 
启动波形 