产品概述 LMP5系列高温DC/DC开关电源模块是专为工作于恶劣环境下的电子设备设计的,可在175℃的环境温度下工作,核心性能适配严苛工况需求,兼具稳定性与高效性。具备宽输入电压范围,适配多规格供电场景,输入与输出高效隔离,抗干扰能力极强,保障供电安全与输出稳定性。模块采用密封金属灌封,体积紧凑,集成化程度高,适配狭小安装空间,安装便捷且抗振动、抗冲击性能优异。它由于耐高温,耐冲击,耐潮湿,特别适合用来参与组建石油勘测井下仪器,石油钻井井下仪器,地球物理探测仪器等供电电源系统。
主要电参数 l 工作环境温度:-40℃~+175℃
l 输入电压:16~48V,24~72V,24~100V ,36~108V
l 输出电压:最多3路,3.3V,5V,9V,12V,15V,24V,36V
l 输出功率:5W
l 输出纹波及噪声:≤1%Vo
l 输出精度:≤±5%
l 负载调整率:≤±5%
l 温度稳定性:≤±5%;典型±1%
l 线性调整率:≤±1%(10%线性变化)
l 过冲幅度:10%(输入电压阶跃和负载电流阶跃)
l 瞬态恢复时间:50ms(输入电压阶跃和负载电流阶跃)
l 抗震性:25G,0~300Hz
l 转换效率: 75%~88%
l 静态功耗:最大0.3W
l 输入与输出之间的隔离电压:1000V
l 保护功能:具备过压保护、欠压保护、输出过流保护
应用说明 产品原理简介
LMP5系列高温DC-DC模块采用高频变换工作模式,把直流电源逆变成高频电源。通过隔离变压器实现输入与输出电气隔离,然后经过整流电路将高频电源转换成直流输出。高频变换电路实现了转换效率高、体积小、重量轻的目的。
推荐电路

降额使用
高温DC-DC模块的额定输出功率是指在满足使用条件的情况下,产品可长期工作的最大输出功率。一般建议实际使用功率是电路额定输出功率的30%~70%为宜,这个功率范围内DC/DC变换器各方面性能发挥比较充分且稳定可靠。
输入过压、欠压保护
该系列产品具有输入过压、欠压保护功能。当输入电压高于过压保护锁定门限电压或低于欠压保护锁定门限电压时,产品无输出电压。
短路保护功能
该产品具有输出短路保护功能。当系统处于输出短路或过载状态时,将维持低功耗的打嗝工作状态,系统从短路状态恢复后可自动重启。另外,电路不能长时间工作于短路保护状态。
使用条件 
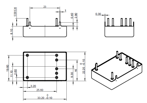
外形尺寸 
外壳外形(若6号引脚未使用,则无6号引脚)
效率曲线 
负载与效率曲线图(Vin=48V)

输入电压与效率曲线图(满载)
静态功耗曲线 
温度降额曲线 
纹波图 
瞬态响应图(50-100%) 
启动波形 